一、工器具准备与检查
1、工器具准备:
位移探 头、前置器、同轴电缆、24VDC稳压电源、万用表、导线若干、TK3-2E、仪表常用工具
2、探 头检查:
探 头和同轴电缆、前置器应型号匹配且外观清洁、良好。探 头电阻和同轴电缆电阻应符合数值。
二、接线
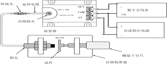
按如图所示连接线路:


探 头+同轴电缆+前置器连接 TK3-2E
三、校验
1、正确连接探 头、延伸电缆和前置器及接线,前置器VT端接电源负ji(-24VDC)、公共端(COM)接(24VDC)电源端正ji;公共端(COM)、输出端(OUT)接入电压表;
2、选用合适的探 头夹,把探 头水平固定在探 头座上,使探 头顶端接触到校验靶片;
3、给前置器送电,调节TK3校验仪上的螺旋千分尺,使示值对准0 mm处,然后将千分尺的示值增加到0.125 mm,记录数字电压表的电压值(此值为前置器输出电压)。以每次0.125 mm的数值增加间隙,直到示值为电压不变化为止,并记录每一次的输出电压值(校验点不少于10点);
4、根据记录数据,依照“轴位移轴振动传感器校验曲线”表格,绘制出被校探 头传感器系统的间隙-电压曲线,它反映了传感器的特性。
5、根据所绘制出的间隙-电压曲线,确定出传感器系统的线性范围,应不小于2 mm。计算出传感器系统的灵敏度应为7.874V/mm,在线性范围内的非线性偏差不大于20μm 。传感器线性范围的中 心为轴位移传感器的静态设定点。
6、计算出灵敏度,在2 mm的线性范围内传感器系统的误差不大于±5%。否则,探 头线性不好,不能安装。