分布式 I/O 扩展配置举例:

说明:
AC500 系列PLC 的 I/O 扩展有两种方式:本地扩展和分布式扩展。在 CPU 本地最多可以扩展 7 个 I/O 模块,如果仍然需要添加 I/O 模块,可以通过现场总线的方式来进行分布式扩展。 AC500 支持常用的现场总线(如:Profibus-DP 、CanOpen、DeviceNet…等)和 ABB 自己的 CS31 总线。
本例中:我们介绍非常普遍的Profibus DP 分布式扩展方式。在进行分布式扩展时,需要增加一个分布式扩展模块:DC505-FBP (Profibus DP 从站) 每增加一个从站就需要添加一个分布式扩展模块。每个分布式模块的带模块能力:开关量模块 Max:7 块 ;模拟量模块 Max:32 路输入 32 路输出 ,总共不能超过 64 路。通讯距离和带从站的数量由所选择的总线决定。如:Profibus DP ,不带中继器 32 个从站,通讯距离为 1200 米。
1..选择CPU 类型

2. 在选择了编程语言后,进入了程序编辑界面。点击左侧窗口下方的[Resources]进入如下界面。

2. 根据实际配置进行硬件组态:添加本地的 I/O 模块和通讯模块

3. 下载完毕后,点击[File] – [save] 保存配置,退出完成配置。

下载完网络组态后,再将程序下载到 CPU 中。进入了程序运行界面,用户可以按照自己的要求进行相应的操作。如:
监视程序:

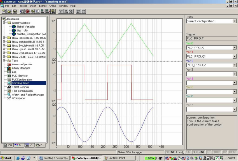
变量跟踪:
