一、控制要求
某车间有 6 个工作台,送料车往返于工作台之间送料,每个工作台设有一个到位开关( SQ )和一个呼吸按扭( SB )。具体控制要求如下:
( 1 )送料车开始应能停留在 6 个工作台中任意一个到位开关的位置上。
( 2 )设送料车现暂停于 m 号工作台( SQ m 为 ON )处,这时 n 号工作台呼叫( SQ n 为 ON ),若:
(a) m>n ,送料车左行,直至 SQ n 动作,到位停车。即送料车所停位置 SQ 的编号大于呼叫按扭 SB 的编号时,送料车往左行运行至呼叫位置后停止。
(b) m<n ,送料车右行,直至 SQ n 动作,到位停车。即送料车所停位置 SQ 的编号小于呼叫按扭 SB 的编号时,送料车往右运行至呼叫位置后停止。
(c) m=n ,送料车原位不动。即送料车所停位置 SQ 的编号与呼叫按扭 SB 的编号相同时,送料车不动。
二、 plc 硬件的实现
1、I/O的分配表

2、I/O的外部接线

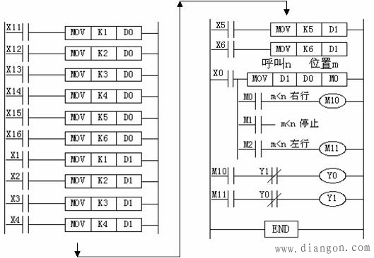
三、 PLC 软件的实现

图中将送料车当前位置送到数据寄存器 D0 中,将呼叫工作台号送到数据寄存器 D1 中,然后通过 D0 与 D1 中数据的比较,决定送料车的运行方向和到达的目标位置。