
工业现场使用PROFINET网络通信越来越普遍。大多数的使用者都只是停留在对PROFINET网络会使用状况,而对于PROFINET底层的工作机制却知之甚少。
随着PROFINET设备节点数量越来越多,网络的规模比起以前来说也越来越大,越来越复杂。很多用户在使用的过程中由于使用不当造成了这样那样的问题。下面我将给大家介绍一个由于使用不当造成网络故障的案例。
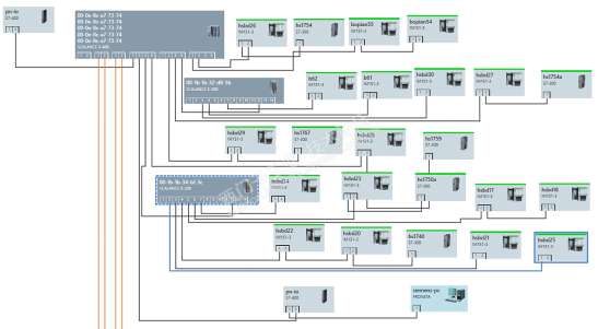
某烟厂在制丝车间的控制网络使用的是PROFINET的网络。现场反映PROFINET控制网络经常会出现网络中断的故障现象。现场的网络拓扑如下图1所示。

图1、制丝车间PROFNET的网络拓扑结构
从上图1可以看到S7-400的PLC连接到了SCLANCE XM414的交换,然后SCLANCE XM414的交换机再次级联X200的交换机,再由X200的交换机去连接分布式IO站;有的二次级联X200交换机后连接分布式IO站。且在有的分支线上的终端连接有S7-300PLC。图2为图1放大图的部分。

图2、拓扑图的部分放大图
在连接S7-400与SCALANCE XM414的网线进行数据抓包分析,可以看到通过此线路既有PNIO的通信数据包也有S7的通信数据包,且在一些时刻PNIO的通信的频繁程度与S7通信的频繁程度差不多,如下图3所示。

图3、PLC下连网络的数据抓包情况
对图3中的数据包进行分析,如下图4所示。从图4可以看出有时S7的通信负载高于PNIO的通信负载。

图4、S7通信负载高于PNIO的通信负载的情况
当图4的情况发生且持续的时间很长,就会造成当PNIO的数据和S7通信的数据都到达SCALANCE XM414的时候,XM400交换机把PNIO数据帧的优先级由6变为了0,也就是PNIO的数据不具有了优先级。此时当有大量的S7通信的数据发生时就会造成PNIO的通信延迟。这样就会造成PNIO掉站的故障。
所以XM400的交换机虽然价格高,但它主要用于骨干网的交换机而不是是用于PNIO通信链路上的交换机。所以不能把XM400的交换机级联在PNIO通信的链路中。对于PNIO的通信建议用PNIO的专用交换机X200系列交换机,X200交换机可以保证PNIO的优先级出入X200交换机时不变。而此案例的特殊之处在于由于网络架构的不合理导致了S7通信与PNIO的通信共用逻辑链路且当通信量大时就会出现PNIO通信故障的现象。
微信扫一扫
关注公众号
18150066586 3004636837@qq.com 0591-87578810
15306977124 3004993430@qq.com 0591-83851589
15306977204 2851617306@qq.com 0591-88075780
15306977014 2851617301@qq.com 0591-87580173
18005007289 2851617310@qq.com 0591-87722515
15306977484 2851617304@qq.com 0591-83855060
18065057209 2881507050@qq.com 0591-22875422
15306977024 2851617309@qq.com 0591-83532940
15306977134 2851617313@qq.com 0591-83841178
15306977494 2851617303@qq.com 0591-83855720